Vortex Tubes

PRODUCT OVERVIEW
The Nex Flow™ Stainless Steel vortex tube uses a brass generator as a standard item rather than cheap plastic for longer lifespan and for applications in high temperature environments. With virtually no moving parts, the vortex tube takes compressed air and converts it to cold air at one end and hot air at the other.
Temperature as low as minus 50° F (minus 46° C) can be achieved at the cold end and up to 260° F (127° C) at the hot end.
Nex Flow Vortex tubes are available in three basic sizes and in several packaged versions.

Frigid-X™ Small Vortex Tube
The Frigid-X™ Small Vortex Tube is available in sizes between 145btu/h and 580btu/h

Frigid-X™ Medium Vortex Tube
The Nex Flow™ Medium Vortex Tube is available in sizes between 700btu/h and 2900btu/h

Frigid-X™ Large Vortex Tube
Frigid X Large Vortex Tube available in sizes between 3700btu/h and 10 800btu/h. These units are on order only.
APPLICATIONS
- Cool electronic and electrical control
- Cool machine operations/tooling
- Cool CCTV cameras
- Set hot melt adhesives
- Cool soldered parts
- Cool gas samples
- Cool heat seals
- Cooling environmental chambers
ADVANTAGES
-
No moving parts, reliable, maintenance free
-
No coolant
-
Compact and lightweight
-
Low cost application
-
Maintenance free units
-
Instant cold air in environmental chambers
-
No spark or explosion hazard
-
Interchangeable generators
VIDEOS
TEMPERATURE
Adjusting the slotted valve at the hot air outlet sets the flow rate and temperature at the cold end. The more air let out at the hot end reduces the cold air flowing and the cold air temperature at the cold end. Close the valve at the hot end and you increase the cold air flow at the cold end as well as the air temperature at the cold end. The percentage of total input air to the vortex tubes that is directed to the cold end is the “cold fraction”. A cold fraction of 60% to 80% produces the optimum refrigeration. See the chart below which indicates the temperature “rise” at the hot end and temperature “drop” at the cold end of a vortex tubes at various input pressures and “cold Fraction” setting.
Most industrial applications, such as electrical control panel cooling, parts cooling, tool cooling require maximum refrigeration and utilize the Frigid-X™ 50000H series. Applications which require extreme cold temperatures such as lab sample cooling, circuit board testing, would utilize the Frigid-X™50000C series. However, mufflers are available for both the cold and hot ends if required.
PERFORMANCE
|
Model #
|
SCFM @100 PSIG inlet
(SLPM @ 6.9 BAR inlet) |
Btu/hr. at 100 PSIG
(Watts at 6.9 BAR) |
Size
|
|
|
50002H
|
2
(57) |
145
(42) |
small
|
|
|
50004H
|
4
(142) |
290
(85) |
small
|
|
|
50008H
|
8
(226) |
580
(170) |
small
|
|
|
50010H
|
10
(283) |
730
(214) |
medium
|
|
|
50015H
|
15
(425) |
1100
(322) |
medium
|
|
|
50025H
|
25
(708) |
1800
(527) |
medium
|
|
|
50030H
|
30
(850) |
2100
(615) |
medium
|
|
|
50040H
|
40
(1133) |
2900
(849) |
medium
|
|
| 50050H | 50 (1416) |
3700 (1084) |
large | |
| 50075H | 75 (2124) |
5400 (1583) |
large | |
| 50100H | 100 (2832) |
7100 (2081) |
large | |
| 50150H |
|
10800 (3165) |
large |
|
Model #
|
SCFM @100 PSIG inlet
(SLPM @ 6.9 BAR inlet) |
For Cold Temperature
|
Size
|
|
50002C
|
2
(57) |
—-
|
small
|
|
50004C
|
4
(142) |
—-
|
small
|
|
50008C
|
8
(226) |
—-
|
small
|
|
50010C
|
10
(283) |
—-
|
medium
|
|
50015C
|
15
(425) |
—-
|
medium
|
|
50025C
|
25
(708) |
—-
|
medium
|
|
50030C
|
30
(850) |
—-
|
medium
|
|
50040C
|
40
(1133) |
—-
|
medium
|
|
50050C
|
50 |
—-
|
large
|
|
50075C
|
75 |
—-
|
large
|
|
50100C
|
100 |
—-
|
large
|
|
50150C
|
150 |
—-
|
large
|
Approximate temperature drops (and rises) from inlet air temperature produced by a vortex tube set at various cold fractions. Assume constant inlet pressure and temperature.
|
Temperature drop of cold air,
°F (ºC) in blue |
Temperature rise of hot air,
°F (ºC) in red |
|
Pressure Supply
|
Cold Fraction %
|
|
PSIG (BAR)
|
20
|
30
|
40
|
50
|
60
|
70
|
80
|
|
20 (1.4)
|
62 (34)
|
60 (33)
|
56 (31)
|
51 (28)
|
44 (24)
|
36 (20)
|
28 (16)
|
|
15 (8)
|
25 (14)
|
36 (20)
|
50 (28)
|
64 (26)
|
83 (46)
|
107 (59)
|
|
|
40 (2.8)
|
88 (48)
|
85 (46)
|
80 (42)
|
73 (39)
|
63 (34)
|
52 (28)
|
38 (20)
|
|
21 (11)
|
35 (18)
|
52 (28)
|
71 (38)
|
92 (50)
|
117 (62)
|
147 (80)
|
|
|
60 (4.1)
|
104 (57)
|
100 (55)
|
93 (51)
|
84 (46)
|
73 (40)
|
60 (33)
|
46 (25)
|
|
24 (14)
|
40 (22)
|
59 (33)
|
80 (44)
|
104 (57)
|
132 (73)
|
166 (92)
|
|
|
80 (5.5)
|
115 (63)
|
110 (62)
|
102 (56)
|
92 (51)
|
80 (45)
|
66 (36)
|
50 (28)
|
|
25 (14)
|
43 (24)
|
63 (35)
|
86 (47)
|
113 (63)
|
143 (80)
|
180 (100)
|
|
|
100 (6.9)
|
123 (68)
|
118 (65)
|
110 (61)
|
100 (55)
|
86 (48)
|
71 (39)
|
54 (30)
|
|
26 (14)
|
45 (25)
|
67 (37)
|
90 (50)
|
119 (66)
|
151 (84)
|
191 (106)
|
|
|
120 (8.4)
|
129 (72)
|
124 (69)
|
116 (64)
|
104 (58)
|
91 (50)
|
74 (41)
|
55 (31)
|
|
26 (14)
|
46 (26)
|
69 (38)
|
94 (52)
|
123 (68)
|
156 (86)
|
195 (108)
|
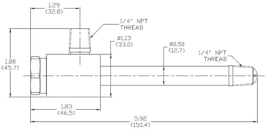
DIMENSIONS





- + Overview
-
PRODUCT OVERVIEW
The Nex Flow™ Stainless Steel vortex tube uses a brass generator as a standard item rather than cheap plastic for longer lifespan and for applications in high temperature environments. With virtually no moving parts, the vortex tube takes compressed air and converts it to cold air at one end and hot air at the other.
Temperature as low as minus 50° F (minus 46° C) can be achieved at the cold end and up to 260° F (127° C) at the hot end.
Nex Flow Vortex tubes are available in three basic sizes and in several packaged versions.

Frigid-X™ Small Vortex Tube
The Frigid-X™ Small Vortex Tube is available in sizes between 145btu/h and 580btu/h

Frigid-X™ Medium Vortex Tube
The Nex Flow™ Medium Vortex Tube is available in sizes between 700btu/h and 2900btu/h

Frigid-X™ Large Vortex Tube
Frigid X Large Vortex Tube available in sizes between 3700btu/h and 10 800btu/h. These units are on order only.
- + Features
-
APPLICATIONS
- Cool electronic and electrical control
- Cool machine operations/tooling
- Cool CCTV cameras
- Set hot melt adhesives
- Cool soldered parts
- Cool gas samples
- Cool heat seals
- Cooling environmental chambers
ADVANTAGES
-
No moving parts, reliable, maintenance free
-
No coolant
-
Compact and lightweight
-
Low cost application
-
Maintenance free units
-
Instant cold air in environmental chambers
-
No spark or explosion hazard
-
Interchangeable generators
- + Videos
-
VIDEOS
- + Temperature
-
TEMPERATURE
Adjusting the slotted valve at the hot air outlet sets the flow rate and temperature at the cold end. The more air let out at the hot end reduces the cold air flowing and the cold air temperature at the cold end. Close the valve at the hot end and you increase the cold air flow at the cold end as well as the air temperature at the cold end. The percentage of total input air to the vortex tubes that is directed to the cold end is the “cold fraction”. A cold fraction of 60% to 80% produces the optimum refrigeration. See the chart below which indicates the temperature “rise” at the hot end and temperature “drop” at the cold end of a vortex tubes at various input pressures and “cold Fraction” setting.
Most industrial applications, such as electrical control panel cooling, parts cooling, tool cooling require maximum refrigeration and utilize the Frigid-X™ 50000H series. Applications which require extreme cold temperatures such as lab sample cooling, circuit board testing, would utilize the Frigid-X™50000C series. However, mufflers are available for both the cold and hot ends if required.
- + Performance
-
PERFORMANCE
Model #SCFM @100 PSIG inlet
(SLPM @ 6.9 BAR inlet)Btu/hr. at 100 PSIG
(Watts at 6.9 BAR)Size50002H2
(57)145
(42)small50004H4
(142)290
(85)small50008H8
(226)580
(170)small50010H10
(283)730
(214)medium50015H15
(425)1100
(322)medium50025H25
(708)1800
(527)medium50030H30
(850)2100
(615)medium50040H40
(1133)2900
(849)medium50050H 50
(1416)3700
(1084)large 50075H 75
(2124)5400
(1583)large 50100H 100
(2832)7100
(2081)large 50150H 150
(4248)10800
(3165)large Model #SCFM @100 PSIG inlet
(SLPM @ 6.9 BAR inlet)For Cold TemperatureSize50002C2
(57)—-small50004C4
(142)—-small50008C8
(226)—-small50010C10
(283)—-medium50015C15
(425)—-medium50025C25
(708)—-medium50030C30
(850)—-medium50040C40
(1133)—-medium50050C50
(1416)—-large50075C75
(2124)—-large50100C100
(2832)—-large50150C150
(4248)—-largeApproximate temperature drops (and rises) from inlet air temperature produced by a vortex tube set at various cold fractions. Assume constant inlet pressure and temperature.
Temperature drop of cold air,
°F (ºC) in blueTemperature rise of hot air,
°F (ºC) in redPressure SupplyCold Fraction %PSIG (BAR)2030405060708020 (1.4)62 (34)60 (33)56 (31)51 (28)44 (24)36 (20)28 (16)15 (8)25 (14)36 (20)50 (28)64 (26)83 (46)107 (59)40 (2.8)88 (48)85 (46)80 (42)73 (39)63 (34)52 (28)38 (20)21 (11)35 (18)52 (28)71 (38)92 (50)117 (62)147 (80)60 (4.1)104 (57)100 (55)93 (51)84 (46)73 (40)60 (33)46 (25)24 (14)40 (22)59 (33)80 (44)104 (57)132 (73)166 (92)80 (5.5)115 (63)110 (62)102 (56)92 (51)80 (45)66 (36)50 (28)25 (14)43 (24)63 (35)86 (47)113 (63)143 (80)180 (100)100 (6.9)123 (68)118 (65)110 (61)100 (55)86 (48)71 (39)54 (30)26 (14)45 (25)67 (37)90 (50)119 (66)151 (84)191 (106)120 (8.4)129 (72)124 (69)116 (64)104 (58)91 (50)74 (41)55 (31)26 (14)46 (26)69 (38)94 (52)123 (68)156 (86)195 (108) - + Dimensions
-
DIMENSIONS




