Muffling Kits For Cabinet Panel Coolers

PRODUCT OVERVIEW
In many environments where the surroundings are very quiet or if personnel are working next to control panels, the Hot End and Cold End Muffing kits can reduce the noise levels an additional 8 dBA depending on air capacity used!!! The Hot End Muffler also acts as an excellent heat guard over the hot end, exhausting the hot air from the vortex tube cooler assembly. Noise levels with the Nex Flow™ Panel Coolers can be reduced to under 64 dBA or more depending on capacity of the Panel Cooler.
HOT AND COLD END MUFFLING KITS ON A PANEL COOLER REDUCE
NOISE LEVELS UP TO AN ADDITONAL 8 dBA.
IN ADDITION THE HOT END MUFFLER ACTS AS A HEAT GUARD.
Cold End Muffling Kit
The Cold End Muffling Kit consists of a silencer and all necessary fittings to connect to the Panel Cooler at the cold air outlet inside the electrical control panel. Depending on the capacity of the specific Panel Cooler, the dBA reduction offered by the Cold End Muffling Kit is 5 to 6 dBA. Easy to install. Can be installed with the silencer vertical or horizontal depending on the space.
Hot End Muffling Kit & Heat Guard
![]() |
The Hot End Muffling Kit consists of an ABS Plastic sleeve with silencing material fitted over the hot end of the Panel Cooler, outside of the control panel. The dBA reduction offered by the Hot End Muffling Kit is 2 dBA. Easy to install – just fit over the top of the Panel Cooler. In addition to noise reduction it offers additional protection from the hot end of the Panel Cooler. |
Muffling Kit Selection
| Part # | Description |
| 69501 | Cold End Muffler Kit for 60015A to 63140X |
| 69502 | Hot End Muffler Kit for 60015A to 63140X |
| 69503 | Cold End Muffler Kit for 60004A to 63108X |
| 69504 | Cold End Muffler Kit for 60004A to 63108X |
| 69505 | Cold End and Hot End Combination Muffler Kit for 60015A to 63140X |
| 69506 | Cold End and Hot End Combination Muffler Kit for 60004A to 63108X |
NOTES:
- For the 316 stainless Panel Coolers only the Cold End Mufflers may be used.
- If using Side Mounts, only the Cold End Mufflers may be used.
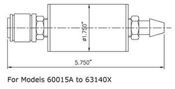
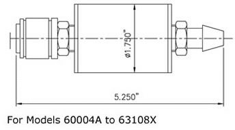
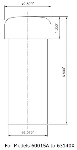
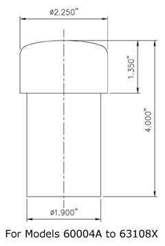
Dimensions
![]() |
![]() |
![]() |
![]() |
![]() |
![]() |
MUFFING KITS FOR PANEL COOLERS
| PART NO. | DESCRIPTION | Size | Price US Dollars |
|---|---|---|---|
| 69501 | Cold End Muffler Kit for 10 to 40 SCFM Panel Cooler Units | $90.00 | |
| 69502 | Hot End Muffler & Heat Guard Kit for 10 to 40 SCFM Panel Cooler Units | $80.00 | |
| 69503 | Cold End Muffler Kit for 2 to 8 SCFM Panel Cooler Units | $85.00 | |
| 69504 | Hot End Muffler & Heat Guard Kit for 2 to 8 SCFM Panel Cooler Units | $75.00 | |
| 69505 | Hot and Cold End Muffler & Heat Guard Kit for 10 to 40 SCFM Panel Cooler Units | $170.00 | |
| 69506 | Hot and Cold End Muffler & Heat Guard Kit for 2 to 8 SCFM Panel Cooler Units | $160.00 |
Prices are in USA dollars – ex works Cincinnati, OH, USA for orders in USA
Richmond Hill, ON, Canada for International orders.
website : www.nexflow.co.za
email : sales@nexflow.co.za
- + Overview
-
PRODUCT OVERVIEW
In many environments where the surroundings are very quiet or if personnel are working next to control panels, the Hot End and Cold End Muffing kits can reduce the noise levels an additional 8 dBA depending on air capacity used!!! The Hot End Muffler also acts as an excellent heat guard over the hot end, exhausting the hot air from the vortex tube cooler assembly. Noise levels with the Nex Flow™ Panel Coolers can be reduced to under 64 dBA or more depending on capacity of the Panel Cooler.
HOT AND COLD END MUFFLING KITS ON A PANEL COOLER REDUCE
NOISE LEVELS UP TO AN ADDITONAL 8 dBA.
IN ADDITION THE HOT END MUFFLER ACTS AS A HEAT GUARD.Cold End Muffling Kit
The Cold End Muffling Kit consists of a silencer and all necessary fittings to connect to the Panel Cooler at the cold air outlet inside the electrical control panel. Depending on the capacity of the specific Panel Cooler, the dBA reduction offered by the Cold End Muffling Kit is 5 to 6 dBA. Easy to install. Can be installed with the silencer vertical or horizontal depending on the space.Hot End Muffling Kit & Heat Guard

The Hot End Muffling Kit consists of an ABS Plastic sleeve with silencing material fitted over the hot end of the Panel Cooler, outside of the control panel. The dBA reduction offered by the Hot End Muffling Kit is 2 dBA. Easy to install – just fit over the top of the Panel Cooler. In addition to noise reduction it offers additional protection from the hot end of the Panel Cooler. Muffling Kit Selection
Part # Description 69501 Cold End Muffler Kit for 60015A to 63140X 69502 Hot End Muffler Kit for 60015A to 63140X 69503 Cold End Muffler Kit for 60004A to 63108X 69504 Cold End Muffler Kit for 60004A to 63108X 69505 Cold End and Hot End Combination Muffler Kit for 60015A to 63140X 69506 Cold End and Hot End Combination Muffler Kit for 60004A to 63108X NOTES:
- For the 316 stainless Panel Coolers only the Cold End Mufflers may be used.
- If using Side Mounts, only the Cold End Mufflers may be used.
- + Dimensions
-
Dimensions






- + Pricing
-
MUFFING KITS FOR PANEL COOLERS
PART NO. DESCRIPTION Size Price US Dollars 69501 Cold End Muffler Kit for 10 to 40 SCFM Panel Cooler Units $90.00 69502 Hot End Muffler & Heat Guard Kit for 10 to 40 SCFM Panel Cooler Units $80.00 69503 Cold End Muffler Kit for 2 to 8 SCFM Panel Cooler Units $85.00 69504 Hot End Muffler & Heat Guard Kit for 2 to 8 SCFM Panel Cooler Units $75.00 69505 Hot and Cold End Muffler & Heat Guard Kit for 10 to 40 SCFM Panel Cooler Units $170.00 69506 Hot and Cold End Muffler & Heat Guard Kit for 2 to 8 SCFM Panel Cooler Units $160.00
Prices are in USA dollars – ex works Cincinnati, OH, USA for orders in USA
Richmond Hill, ON, Canada for International orders.
website : www.nexflow.co.za
email : sales@nexflow.co.za