Adjustable Air Amplifiers

PRODUCT OVERVIEW
Nex Flow™ Air amplifiers are a simple, inexpensive devices with virtually no maintenance that can convey fumes, smoke, lightweight materials and move a high volume of air for cooling, blowoff and drying applications. They use the “coanda effect” which entrains a large amount of surrounding air using only a small amount of compressed air. The effect is an amplification of up to 17 times the airflow or more (depending on the size) with reduced noise levels.
APPLICATIONS
- Vent welding smoke
- Cool hot parts
- Dry wet parts
- Clean machined parts
- Distribute heat in molds/ovens
- Ventilate confined areas
- Dust collection
- Exhaust tank fumes
ADVANTAGES
- Compact, lightweight, portable
- No electricity
- No moving parts – no maintenace
- Ends are easily ducted
- Instant on/off
VIDEOS
PERFORMANCE
Air Consumption
Anodized aluminum adjustable Air Amplifiers come with three standard outlet (outside) diameters: 1-1/4″ (31mm), 2″ (51mm), 4″ (200mm). Other sizes available upon request.
Come standard with a .002″ (.05mm) gap. If greater air force is required, the gap is adjustable.
Adjustable Air Amplifier Ratios (approx.):
Model 40001: 15:1
Model 40002: 16:1
Model 40003: 17:1
VELOCITY OF AIR FLOW FROM ADJUSTABLE AIR AMPLFIERS. Based on Gap setting of .002″ (.05 mm)
PRESSURE vs. VELOCITY AT OUTLET Ft/min (m/sec)
| INLET PRESSURE | 40000/40000S | 40001/40001S | 40002/40002S | 40003/40003S |
|---|---|---|---|---|
| 20 PSIG | 11000 | 11000 | 6500 | 2800 |
| (1.4 BAR) | (55.88) | (55.88) | (33.02) | (14.224) |
| 40 PSIG | 16500 | 17000 | 11000 | 4500 |
| (2.8 BAR) | (83.82) | (86.36) | (55.88) | (22.86) |
| 60 PSIG | 18000 | 21000 | 14500 | 5900 |
| (4.1 BAR) | (91.44) | (106.68) | (73.66) | (29.972) |
| 80 PSIG | 21000 | 24000 | 17500 | 6900 |
| (5.5 BAR) | (106.68) | (121.92) | (88.9) | (35.052) |
| 100 PSIG | 23500 | 26000 | 20500 | 7500 |
| (6.9 BAR) | (119.38) | (132.08) | (104.14) | (38.1) |
| 120 PSIG | 25000 | 27000 | 22500 | 7950 |
| (8.4 BAR) | (127) | (137.16) | (114.3) | (40.386) |
PRESSURE vs. VELOCITY AT 12″ FROM OUTLET for all sizes
| INLET PRESSURE | 40000/40000S | 40001/40001S | 40002/40002S | 40003/40003S |
|---|---|---|---|---|
| 20 PSIG | 1400 | 1700 | 2150 | 1550 |
| (1.4 BAR) | (7.112) | (8.636) | (10.922) | (7.874) |
| 40 PSIG | 1600 | 2600 | 3200 | 2300 |
| (2.8 BAR) | (8.128) | (13.208) | (16.256) | (11.684) |
| 60 PSIG | 2000 | 3200 | 3850 | 2780 |
| (4.1 BAR) | (10.16) | (16.256) | (19.558) | (14.1224) |
| 80 PSIG | 2200 | 3650 | 4450 | 3100 |
| (5.5 BAR) | (11.176) | (18.542) | (22.606) | (15.748) |
| 100 PSIG | 2400 | 3900 | 4850 | 3250 |
| (6.9 BAR) | (12.192) | (19.812) | (24.638) | (16.51) |
| 120 PSIG | 2600 | 4100 | 5200 | 3420 |
| (8.4 BAR) | (13.208) | (20.828) | (26.416) | (17.3736) |
Adjustable Air Amplifier Ducting
Both the inlet (vacuum intake) and discharge ends may be ducted for light material and fume conveying applications. Care must be taken to avoid unnecessary restrictions that will cause back pressure or suction resistance that will reduce performance levels. Keep back pressure and resistance to under 2″ of water column.



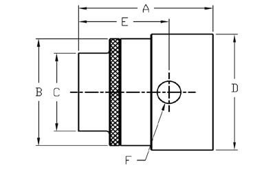
DIMENSIONS
Constructed of anodized aluminum with three standard outlet (outside) diameters: 1-1/4″ (31mm), 2″ (51mm), 4″ (200mm). Other sizes available upon request.
Come standard with a .002″ (.05mm) gap. If greater air force is required, the gap is adjustable.
| Model | A Inches (MM) | B Inches (MM) | C Inches (MM) | D Inches (MM) | E Inches (MM) | F INLET |
| 40001 / 40001S | 2.875” (73) | 1.74” (44.2) | 1.25” (31.75) | 1.98” (50.3) | 1.91” (48.4) | 1/4″ NPT |
| 40002 / 40002S | 3.25” (82.6) | 2.75” (69.85) | 2” (50.80) | 2.98” (75.7) | 2.19” (55.6) | 3/8” NPT |
| 40003 / 40003S | 5.1” (130) | 5.2” (132.6) | 4” (101.6) | 5.5” (139.7) | 3.37” (85.5) | 1/2″ NPT |
* BSP Adaptors Supplied Upon Request Free Of Charge

Options
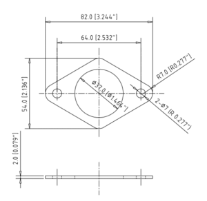
MOUNTING SYSTEMS FOR AIR AMPLIFIERS

Adjustable Air Amplifier mounting brackets allow for easy mounting. Available for the 1-1/4” and 2” sizes. Made in Stainless Steel.


Mounting Bracket For 40001

Mounting Bracket For 40002

- + Overview
-
PRODUCT OVERVIEW
Nex Flow™ Air amplifiers are a simple, inexpensive devices with virtually no maintenance that can convey fumes, smoke, lightweight materials and move a high volume of air for cooling, blowoff and drying applications. They use the “coanda effect” which entrains a large amount of surrounding air using only a small amount of compressed air. The effect is an amplification of up to 17 times the airflow or more (depending on the size) with reduced noise levels.
- + Features
-
APPLICATIONS
- Vent welding smoke
- Cool hot parts
- Dry wet parts
- Clean machined parts
- Distribute heat in molds/ovens
- Ventilate confined areas
- Dust collection
- Exhaust tank fumes
ADVANTAGES
- Compact, lightweight, portable
- No electricity
- No moving parts – no maintenace
- Ends are easily ducted
- Instant on/off
- + Videos
-
VIDEOS
- + Performance
-
PERFORMANCE
Air Consumption
Anodized aluminum adjustable Air Amplifiers come with three standard outlet (outside) diameters: 1-1/4″ (31mm), 2″ (51mm), 4″ (200mm). Other sizes available upon request.
Come standard with a .002″ (.05mm) gap. If greater air force is required, the gap is adjustable.Adjustable Air Amplifier Ratios (approx.):
Model 40001: 15:1
Model 40002: 16:1
Model 40003: 17:1VELOCITY OF AIR FLOW FROM ADJUSTABLE AIR AMPLFIERS. Based on Gap setting of .002″ (.05 mm)
PRESSURE vs. VELOCITY AT OUTLET Ft/min (m/sec)
INLET PRESSURE 40000/40000S 40001/40001S 40002/40002S 40003/40003S 20 PSIG 11000 11000 6500 2800 (1.4 BAR) (55.88) (55.88) (33.02) (14.224) 40 PSIG 16500 17000 11000 4500 (2.8 BAR) (83.82) (86.36) (55.88) (22.86) 60 PSIG 18000 21000 14500 5900 (4.1 BAR) (91.44) (106.68) (73.66) (29.972) 80 PSIG 21000 24000 17500 6900 (5.5 BAR) (106.68) (121.92) (88.9) (35.052) 100 PSIG 23500 26000 20500 7500 (6.9 BAR) (119.38) (132.08) (104.14) (38.1) 120 PSIG 25000 27000 22500 7950 (8.4 BAR) (127) (137.16) (114.3) (40.386) PRESSURE vs. VELOCITY AT 12″ FROM OUTLET for all sizes
INLET PRESSURE 40000/40000S 40001/40001S 40002/40002S 40003/40003S 20 PSIG 1400 1700 2150 1550 (1.4 BAR) (7.112) (8.636) (10.922) (7.874) 40 PSIG 1600 2600 3200 2300 (2.8 BAR) (8.128) (13.208) (16.256) (11.684) 60 PSIG 2000 3200 3850 2780 (4.1 BAR) (10.16) (16.256) (19.558) (14.1224) 80 PSIG 2200 3650 4450 3100 (5.5 BAR) (11.176) (18.542) (22.606) (15.748) 100 PSIG 2400 3900 4850 3250 (6.9 BAR) (12.192) (19.812) (24.638) (16.51) 120 PSIG 2600 4100 5200 3420 (8.4 BAR) (13.208) (20.828) (26.416) (17.3736) Adjustable Air Amplifier Ducting
Both the inlet (vacuum intake) and discharge ends may be ducted for light material and fume conveying applications. Care must be taken to avoid unnecessary restrictions that will cause back pressure or suction resistance that will reduce performance levels. Keep back pressure and resistance to under 2″ of water column.



- + Dimensions
-
DIMENSIONS
Constructed of anodized aluminum with three standard outlet (outside) diameters: 1-1/4″ (31mm), 2″ (51mm), 4″ (200mm). Other sizes available upon request.
Come standard with a .002″ (.05mm) gap. If greater air force is required, the gap is adjustable.
Model A Inches (MM) B Inches (MM) C Inches (MM) D Inches (MM) E Inches (MM) F
INLET40001 / 40001S 2.875” (73) 1.74” (44.2) 1.25” (31.75) 1.98” (50.3) 1.91” (48.4) 1/4″ NPT 40002 / 40002S 3.25” (82.6) 2.75” (69.85) 2” (50.80) 2.98” (75.7) 2.19” (55.6) 3/8” NPT 40003 / 40003S 5.1” (130) 5.2” (132.6) 4” (101.6) 5.5” (139.7) 3.37” (85.5) 1/2″ NPT * BSP Adaptors Supplied Upon Request Free Of Charge

- + Options
-
Options
MOUNTING SYSTEMS FOR AIR AMPLIFIERS

Adjustable Air Amplifier mounting brackets allow for easy mounting. Available for the 1-1/4” and 2” sizes. Made in Stainless Steel.


Mounting Bracket For 40001

Mounting Bracket For 40002
